Hyundai Santa Fe: Auto Head Lamp Leveling
Unit. Schematic Diagrams
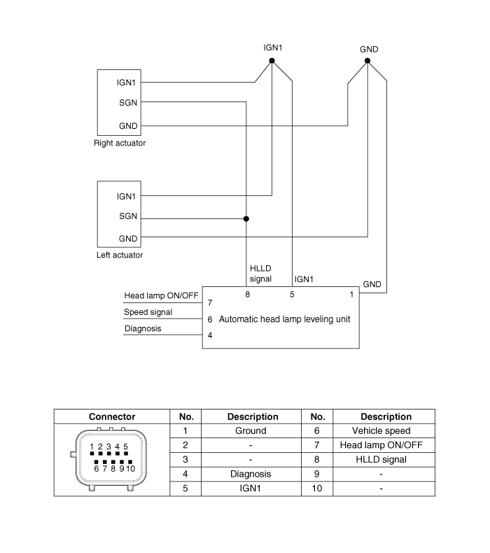
Circuit Diagram

Head Lamp Leveling
Actuator. Repair procedures
Inspection with GDS Initialization and diagnosis sequence by using GDS equipment. Below content summarize the procedure for A/S using GDS. No. Procedure 1 Locate vehicle to flat plane 2 Tire check 3 IGN1 ...
Auto Head Lamp Leveling
Unit. Description and Operation
Description According to driving environment and loading state of vehicle, head lamp lighting direction is changed to keep the driver's visibility range and to protect the driver's vision from ...
See also:
Rear Wheel Speed Sensor. Repair procedures
Removal 4WD only 1. Remove the rear wheel and tire. Tightening torque: 88.3 ~ 107.9 N.m (9.0 ~ 11.0 kgf.m, 65.1 ~ 79.6 lb-ft) 2. Remove the rear wheel speed sensor mounting bolt (A). Tightening torque: ...
Rear Seat Latch. Repair procedures
Replacement [Second row seat assembly] • Put on gloves to protect your hands. • When prying with a flat-tip screwdriver, wrap it with protective tape, and apply protective tape around the related parts, ...
Front Impact Sensor (FIS). Repair procedures
Removal • Removal of the airbag must be performed according to the precautions/ procedures described previously. • Before disconnecting the front impact sensor connector, disconnect the front airbag ...
