Hyundai Santa Fe: CVVT & Camshaft. Components and Components Location - Cylinder Head Assembly - Engine Mechanical SystemHyundai Santa Fe: CVVT & Camshaft. Components and Components Location

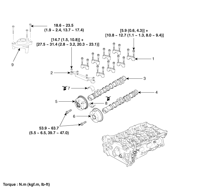
Components

1. Camshaft bearing cap
2. Camshaft front bearing cap
3. Exhaust camshaft
4. Intake camshaft
5. Exhaust CVVT assembly
6. Intake CVVT assembly
7. Exhaust camshaft upper bearing
8. Intake camshaft lower bearing
9. Fuel pump bracket


Cylinder Head Cover. Repair procedures
Removal 1. Disconnect the battery negative terminal. 2. Remove the engine cover. 3. Remove the air duct and air cleaner assembly. 4. Disconnect the exhaust OCV (Oil control valve) connector (A). 5. Disconnect ...

CVVT & Camshaft. Description and Operation
Description Continuous Variable Valve Timing (CVVT) system advances or retards the valve timing of the intake and exhaust valve in accordance with the ECM control signal which is calculated by the engine ...

See also:

Removing and storing the spare tire
Your spare tire is stored underneath your vehicle, directly below the cargo area. To remove the spare tire: 1. Open the tailgate. 2. Find the plastic hex bolt cover and remove the cover with coin or flathead ...

Battery. Description and Operation
Description 1. The MF(Maintenance Free) battery is, as the name implies, totally maintenance free and has no removable battery cell caps. 2. The MF(Maintenance Free) battery does not require water replenishment ...

Antenna Coil. Repair procedures
Removal 1. Disconnect the negative (-) battery terminal. 2. Remove the crash pad lower panel. 3. Disconnect the 6P connector (B) of the coil antenna and then remove the coil antenna (A) after loosening ...