Hyundai Santa Fe: Direct Electro Hydraulic Actuator Coupling. Description and Operation
Description
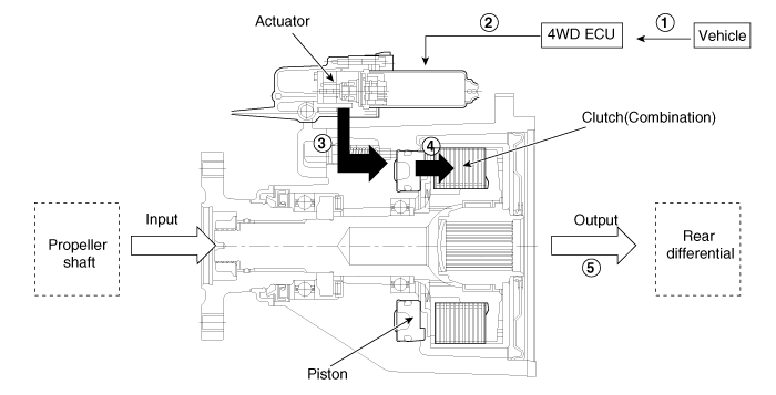
4WD ECU processes signals from various sensors and determines the current
road and driving conditions. The ECU then utilizes this information to implement
precision control over the 4WD coupling's multi-plate clutch and variably adjust
the amount of torque delivered tothe rear wheels.
Four Wheel Drive (4WD) transfer mode selection
| 1. |
AUTO MODE:
|
| 2. |
LOCK MODE:
|
Electronic Coupling - 4WD Control (By Driving Condition)
| 1. |
Cruising (Auto Mode)
- Power is delivered mostly to the front wheels.
|
| 2. |
Cornering (Auto Mode)
- Adjusts the amount of power to the rear wheels based on the
turning radius and cornering speed.
|
| 3. |
Wheel Slip (Auto Mode)
- If one or both of the front wheels lose traction, the system
transfers an appropriate amount of power to the rear wheels based on
the slip amount at the front wheels.
|
| 4. |
Lock Mode
- Maximizes rough terrain performance (active only at speeds below
40 km/h).
|
Operation
| Electronic Coupling |
[Inactive]

[Active]

Operation Order
|
Direct Electro Hydraulic Actuator Coupling. Components and Components Location
Component Location 1. Coupling assembly 2. Propeller shaft 3. Transfer assembly Components 1. Coupling assembly 2. Input shaft 3. Pressure sensor 4. Extension wiring 5. Oil hydraulic Motor(Actuator) ...
Direct Electro Hydraulic Actuator Coupling. Repair procedures
Inspection All units are filled up with coupling fluid (ultra-low viscosity ATF) prior to shipping. Inspection, fill-up, and replacement of coupling fluid is therefore not necessary (zero maintenance, ...
See also:
CVVT Oil Control Valve (OCV). Specifications
Specification Item Specification Coil Resistance (Ω) 6.9 ~ 7.9 [20°C(68°F)] ...
SS-B Solenoid Valve(ON/OFF). Repair procedures
Inspection 1. Turn ignition switch OFF. 2. Remove the air duct. 3. Disconnect the solenoid valve connector(A). 4. Measure resistance between sensor signal terminal and sensor ground terminal. 5. Check ...
Specifications
Specification Items Inner side Outer side Front driveshaft Joint type LSJ 104 UBJ 104 Max. permissible angle 23.5° 46.5° Rear driveshaft Joint type TJ BJ Max. permissible angle 23.5° 46.5° Rear differential ...




