Hyundai Santa Fe: Schematic Diagrams
Schematic Diagrams


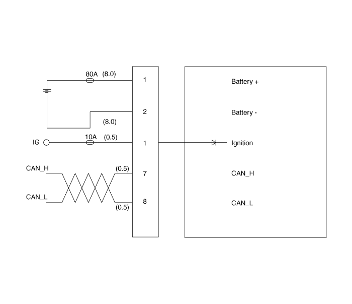
|
Connector |
Pin no |
Pin name |
|
Battery |
1 |
Battery + |
|
2 |
Battery - |
|
|
Vehicle signal |
1 |
Igntion |
|
2 |
- |
|
|
3 |
- |
|
|
4 |
- |
|
|
5 |
- |
|
|
6 |
- |
|
|
7 |
CAN_High |
|
|
8 |
CAN_Low |
Components and Components Location
Components 1. Steering column shaft 2. ECU 3. Motor 4. Steering gear box ...
Repair procedures
General Inspection After or before servicing the EPS system, perform the troubleshooting and test procedure as follows. Compare the system condition with normal condition in the table below and if abnormal ...
See also:
Brake Pedal. Repair procedures
Removal 1. Turn ignition switch OFF and disconnect the negative (-) battery cable. 2. Remove the crash pad lower panel. 3. Remove the shower duct (A). 4. Disconnect the stop lamp switch connector (A). ...
Aux, USB and iPod® port
If your vehicle has an aux and/or USB(universal serial bus) port or iPod® port, you can use an aux port to connect audio devices and a USB port to plug in a USB, or use the HYUNDAI accessory iPod® cable ...
Positive Crankcase Ventilation (PCV) Valve. Repair procedures
Removal 1. Disconnect the vapor hose (A). 2. Remove the PCV valve (B). Inspection 1. Insert a thin stick (A) into the PCV valve (B) from the threaded side to check that the plunger moves. If the plunger ...
