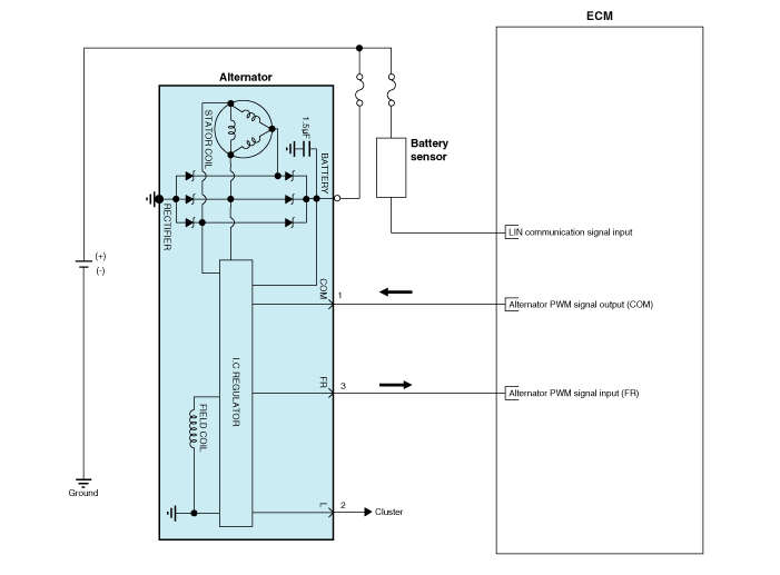
Hyundai Santa Fe: Alternator. Schematic Diagrams
Circuit Diagram

Alternator. Components and Components Location
Components 1. OAD (Overrunning Alternator Decoupler) 2. Front bracket 3. Front bearing 4. Rotor 5. Rear bearing 6. Rear bracket 7. Through bolt 8. Regulator assembly 9. Regulator bolt 10. Rear cover ...
Alternator. Repair procedures
Removal 1. Disconnect the battery negative terminal. 2. Disconnect the air compressor connector (A) and the alternator connector (B), and remove the cable from alternator "B" terminal (C). 3. ...
See also:
Troubleshooting
Troubleshooting Guide Before Thinking The Product Has Malfunctioned 1. Errors which occur during the operation or installation of the device may be mistaken as a malfunction of the actual device. 2. If ...
Front Door Module. Repair procedures
Replacement 1. Remove the front door window glass. 2. Remove the front door outside handle. 3. Disconnect the front door main connector (A). 4. Loosen the front door outside handle base mounting bolt (A). ...
Accelerator Position Sensor (APS). Repair procedures
Inspection 1. Connect the GDS on the Data Link Connector (DLC). 2. Turn the ignition switch ON. 3. Measure the output voltage of the APS 1 and 2 at C.T and W.O.T. Specification: Refer to “Specification” ...
