Hyundai Santa Fe: Components and Components Location - Cylinder Head Assembly - Engine Mechanical SystemHyundai Santa Fe: Components and Components Location

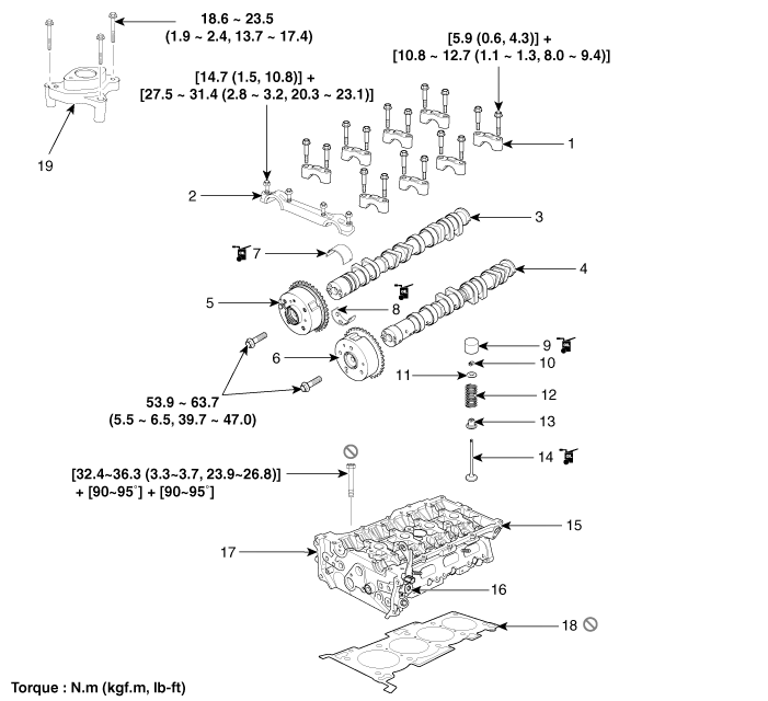
Components

1. Camshaft bearing cap
2. Camshaft front bearing cap
3. Exhaust camshaft
4. Intake camshaft
5. Exhaust CVVT assembly
6. Intake CVVT assembly
7. Exhaust camshaft upper bearing
8. Exhaust camshaft lower bearing
9. MLA
10. Retainer lock
11. Retainer
12. Valve spring
13. Valve stem seal
14. Valve
15. Cylinder head
16. Intake OCV (Oil control valve)
17. Exhaust OCV (Oil control valve)
18. Cylinder head gasket
19. Fuel pump bracket


Repair procedures
Valve Clearance Inspection And Adjustment Inspect and adjust the valve clearance when the engine is cold (Engine coolant temperature : 20°C (68°F)) and cylinder head is installed on the cylinder block. ...

See also:

Immobilizer Control Unit. Repair procedures
Removal 1. Disconnect the negative (-) battery terminal. 2. Remove the driver crash pad lower panel. 3. Remove the knee airbag module. 4. Disconnect the connector of the immobilizer unit and then remove ...

SRS Care
The SRS is virtually maintenancefree and so there are no parts you can safely service by yourself. If the SRS air bag warning light "" does not illuminate, when you turn the ignition on, or continuously ...

Alternator. Specifications
Specification Alternator Item Specification Rated voltage 13.5V, 130A Speed in use 1,000 ~ 18,000 rpm Voltage regulator IC Regulator built-in type Regulator Setting Voltage External mode Refer to below ...