Hyundai Santa Fe: Cylinder Head. Components and Components Location - Cylinder Head Assembly - Engine Mechanical SystemHyundai Santa Fe: Cylinder Head. Components and Components Location

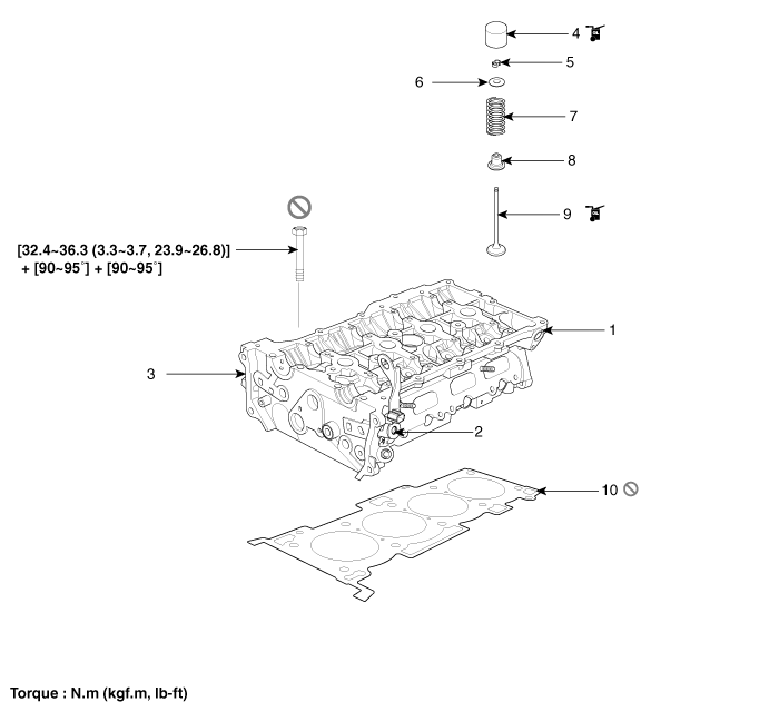
Components

1. Cylinder head
2. Intake OCV (Oil Control Valve)
3. Exhaust OCV (Oil Control Valve)
4. MLA
5. Retainer lock
6. Retainer
7. Valve spring
8. Valve stem seal
9. Valve


CVVT & Camshaft. Repair procedures
Removal 1. Remove the cylinder head cover. 2. Set No.1 cylinder to TDC/compression. A. Turn the crankshaft pulley and align its groove with the timing mark "T" of the lower timing chain cover. ...

Cylinder Head. Repair procedures
Removal • Use fender covers to avoid damaging painted surfaces. • To avoid damaging the cylinder head, wait until the engine coolant temperature drops below normal temperature before removing it. • ...

See also:

Underdrive Brake Control Solenoid Valve(UD/B_VFS). Description and Operation
Description Underdrive brake control solenoid valve(UD/B) is attached to the valve body. This variable force solenoid valve directly controls the hydraulic pressure inside the underdrive brake. ...

Auto Head Lamp Leveling Unit. Repair procedures
Inspection 1. Ignition "ON". 2. Turn on the head lamp switch. 3. Check for operation. If the aim of the head lamps changes smoothly when the head lamp leveling switch is turned. 4. If the operation ...

Emergency Fastening Device (EFD). Repair procedures
Removal 1. Disconnect the battery negative cable, and wait for at least three minutes before beginning work. 2. To remove the locking mechanism (A), using a (-) driver (B) turn it counter clockwise. From ...