Hyundai Santa Fe: Repair procedures
Removal
| 1. |
Disconnect the negative (-) battery terminal.
|
| 2. |
Remove the crash pad center panel.
|
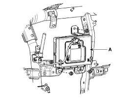
| 3. |
Disconnect the body control module connectors (A).
|
| 4. |
Remove the body control module (A) after loosening
the nuts.
|
Installation
| 1. |
Install the body control module.
|
| 2. |
Connect the body control module.
|
| 3. |
Install the crash pad center panel.
|
BCM Diagnosis With GDS
| 1. |
The body control module can diagnose by using the
GDS more quickly.
The BCM communicates with the GDS and then reads
the input/output value and drives the actuator.
|
| 2. |
To diagnose the BCM function, select the menu of
model and body control module.
|
| 3. |
Select "Input/output monitoring", if you will check
current data of body network system. It provides input/output status
of each module.
|
| 4. |
If you will check each module data operation forcefully,
select "Actuation test".
|
| 5. |
If you want to change user option, select “user option”.
|
Description and Operation
Description Body Control Module Controls The Followings - Wiper & Washer Control - Defroster Control - Driving Control - Tailgate Control - Window Control - Interior Control - Exterior Control - Panic ...
Seat Electrical
...
See also:
Inside lamp
1. Open the tailgate. 2. Remove the service cover using a flat-blade screwdriver. 3. Remove the socket from the assembly by turning the socket counterclockwise until the tabs on the socket align with ...
CVVT Oil Control Valve (OCV). Repair procedures
Inspection 1. Turn the ignition switch OFF. 2. Disconnect the OCV connector. 3. Measure resistance between the OCV terminals 1 and 2. 4. Check that the resistance is within the specification. Specification: ...
Smart Key Diagnostic. Repair procedures
Inspection Self Diagnosis With Scan Tool It will be able to diagnose defects of SMART KEY system with GDS quickly. GDS can operates actuator forcefully, input/output value monitoring and self diagnosis. ...





