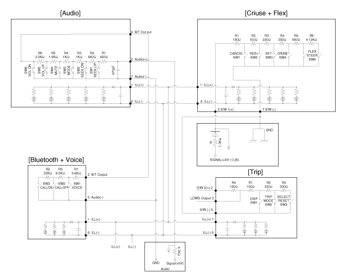
Hyundai Santa Fe: Audio Remote Control. Schematic Diagrams
Circuit Diagram



Audio Remote Control. Components and Components
Location
Components 1. Remote control switch (LH) 2. Remote control switch (RH) 3. Bluetooth hands free switch 4. Trip switch ...
Audio Remote Control. Repair procedures
Inspection 1. Check for resistance between terminals in each switch position. [Audio] Switch Connector terminal Resistance (± 5%) SEEK up 2-7 430 Ω SEEK down 2-7 1.11 kΩ Mode 2-7 2.11 kΩ ...
See also:
Shift Cable. Repair procedures
Removal 1. Remove the floor console. 2. Remove the air duct. 3. Disconnect the shift cable (A). 4. Remove the retainer (A) and nut (B). Tightening torque : 7.8 ~ 11.8 N.m (0.8 ~ 1.2 kgf.m, 5.8~8.7 lb-ft) ...
Glove box
Type A Type B The glove box can be locked and unlocked with the mechanical key (1). To open the glove box, push the button (2) and the glove box will automatically open (3). Close the glove box after ...
Rear Seat Assembly. Components and Components Location
Component Location [Second row seat assembly] 1. Second row seat assembly [LH] 2. Second row seat assembly [RH] [Third row seat assembly] 1. Third row seat assembly [LH] 2. Third row seat assembly [RH] ...
