Hyundai Santa Fe: Power Window Switch. Schematic Diagrams
Circuit Diagram
Driver Power Window Switch


Assist Power Window Switch


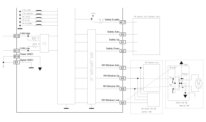
Rear Power Window Switch

Power Window Switch. Components and
Components Location
Components Driver Power Window Switch Assist Power Window Switch Rear Power Window Switch ...
Power Window Switch. Repair procedures
Diagnosis With GDS 1. The BCM can be diagnosed by using the GDS. The BCM communicates with the GDS which then displays inputs and outputs along with codes. It will be able to diagnose defects of power ...
See also:
Output Speed Sensor. Description and Operation
Description The output speed sensor (A) is a vital unit that measures the rate of rotation of the transaxle's turbine shaft and output shaft, and delivers the readings to the Transaxle Control Module(TCM). ...
Engine Coolant Temperature Sensor (ECTS). Specifications
Specification Temperature Resistance (kΩ) °C °F -40 -40 48.14 -20 -4 14.13 ~ 16.83 0 32 5.79 20 68 2.31 ~ 2.59 40 104 1.15 60 140 0.59 80 176 0.32 ...
Charging System Warning Light
This warning light illuminates: Once you set the ignition switch or Engine Start/Stop Button to the ON position. - It remains on until the engine is started. When there is a malfunction with either the ...
