Hyundai Santa Fe: Relay Box (Engine Compartment). Repair procedures
Inspection
| 1. |
Disconnect the negative (-) battery terminal.
|
| 2. |
Pull out the relay from the engine compartment relay
box.
|
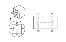
Power Relay (Type A)
Check for continuity between the terminals.
A : Power outlet relay
B : Start relay
C : Front deicer relay
D : Blower relay
E : ACC relay
F : IG1 relay
G : IG2 relay
H : Rear defogger relay
I : Horn relay
J : Vaccum pump relay
| 1. |
There should be continuity between the No.30 and
No.87 terminals when power and ground are connected to the No.85 and
No.86 terminals.
|
| 2. |
There should be no continuity between the No.30 and
No.87 terminals when power is disconnected.
|
Power Relay (Type B)
Check for continuity between the terminals.
A : Wiper relay (Low)
B : Wiper relay (High)
| 1. |
There should be continuity between the No.30 and
No.87 terminals when power and ground are connected to the No.85 and
No.86 terminals.
|
| 2. |
There should be continuity between the No.30 and
No.87 terminals when power is disconnected.
|
Power Relay (Type C)
Check for continuity between the terminals.
A : Cooling fan relay
| 1. |
There should be continuity between the No.30 and
No.87 terminals when power and ground are connected to the No.85 and
No.86 terminals.
|
| 2. |
There should be no continuity between the No.30 and
No.87 terminals when power is disconnected.
|
Replacement of EMS box
| 1. |
Disconnect the negative(-) battery terminal.
|
| 2. |
Push 4 hooks in the engine room relay box out to
the arrow direction and put up the EMS box assembly (A).
|
| 3. |
Disconnect the connector and remove the EMS box assembly
(A).
|
Fuse
| 1. |
Be sure there is no play in the fuse holders, and
that the fuses are held securely.
|
| 2. |
Are the fuse capacities for each circuit correct?
|
| 3. |
Are there any blown fuses?
|
Multi Fuse

|
Relay Box (Engine Compartment). Components and Components Location
Component Location ...
Relay Box (Passenger Compartment). Components and Components Location
Component Location ...
See also:
Repair procedures
Replacement • Put on gloves to protect your hands. • When prying with a flat-tip screwdriver, wrap it with protective tape, and apply protective tape around the related parts, to prevent damage. 1. ...
Tires and wheels
CAUTION When replacing tires, use the same size originally supplied with the vehicle. Using tires of a different size can damage the related parts or make it work irregularly. ...
Description and Operation
Description Back view camera will activate when the backup light is ON with the ignition switch ON and the shift lever in the R position. This system is a supplemental system that shows behind the vehicle ...











