Hyundai Santa Fe: Schematic Diagrams
Circuit Diagram



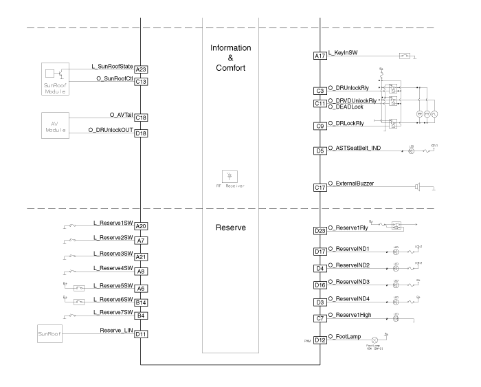
Components and Components
Location
Components Connector Pin Information No. Connector A Connector B Connector C Connector D 1 IGN1 Head lamp low switch Wiper low relay Room lamp 2 ACC Auto light switch Burglar alarm relay Cornering lamp ...
Description and Operation
Description Body Control Module Controls The Followings - Wiper & Washer Control - Defroster Control - Driving Control - Tailgate Control - Window Control - Interior Control - Exterior Control - Panic ...
See also:
Description and Operation
Description of ESC Electronic Stability Control (ESC) recognizes critical driving conditions, such as panic reactions in dangerous situations, and stabilizes the vehicle by wheel-individual braking and ...
Rear Seat Cushion Cover. Components and Components Location
Component Location [Second row seat assembly] 1. Rear seat cushion cover [LH] 2. Rear seat cushion cover [RH] [Third row seat assembly] 1. Rear seat cushion cover [LH] 2. Rear seat cushion cover [RH] ...
Hood Insulator Pad. Repair procedures
Replacement 1. Using a clip remover, detach the clips, and remove the hood insulator pad (A). • Be careful not to scratch the hood panel. 2. Install in the reverse order of removal. • Replace any damaged ...
