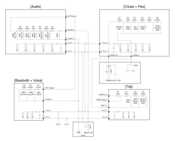
Hyundai Santa Fe: Cruise Control Switch. Schematic Diagrams
Circuit Diagram



Cruise Control Switch. Components and Components Location
Components 1. Remote control switch (LH: Audio) 2. Remote control switch (RH: Cruise + Flex) 3. Bluetooth handfree switch 4. Trip switch ...
Cruise Control Switch. Repair procedures
Removal 1. Disconnect the negative (-) battery terminal. 2. Remove the driver airbag module. <a href="content.asp?vehicletype=Passenger&mfrcode=HY&area=HMA&langcode=ENG&modelid=AN13&modelyr=2013&mmctype=ab&mmcid=36&group=SHOP&pdftype=&cat1=2013+%3E+G+2%2E0+T%2DGDI&ec=&nLocation=1$2_1_3_1&firstnodedesc=Restraint&sitinfolist=81%5E8120%5E81200100%5Enone%5E801%5E1%5EENG%5EHY%5EAN13%5E2013%5Eab%5E36%5Enone%5Enone%5Enone%5ESHOP%5E%2481%5E8120%5E81200100%5Enone%5E801%5E4%5EENG%5EHY%5EAN13%5E2013%5Eab%5E36%5Enone%5Enone%5Enone%5ESHOP%5E%2481%5E8120%5E81200100%5Enone%5E801%5E8%5EENG%5EHY%5EAN13%5E2013%5Eab%5E36%5Enone%5Enone%5Enone%5ESHOP%5E%24" ...
See also:
Front seat adjustment - Power
The front seat can be adjusted by using the control knobs located on the outside of the seat cushion. Before driving, adjust the seat to the proper position so as to easily control the steering wheel, ...
Windshield Wiper-Washer Switch. Repair procedures
Removal 1. Disconnect the negative (-) battery terminal. 2. Remove the steering column upper and lower shrouds (A) after loosening 3 screws. 3. Disconnect the connector (A). 4. If necessary of removing ...
Automatic heating and air conditioning
1. Press the AUTO button. The modes, fan speeds, air intake and air-conditioning will be controlled automatically according to the temperature setting. 2. Set the driver’s temperature control switch ...
