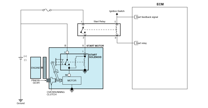
Hyundai Santa Fe: Starter. Schematic Diagrams
Circuit Diagram

Starter. Components and Components Location
Components 1. Front housing 2. Starter solenoid assembly 3. Lever 4. Lever packing 5. Planet shaft assembly 6. Planetary gear assembly 7. Packing 8. Shield 9. Amature assembly 10. Brush holder assembly ...
Starter. Repair procedures
Removal 1. Disconnect the battery negative terminal. 2. Remove the air duct and air cleaner assembly. <a href="content.asp?vehicletype=Passenger&mfrcode=HY&area=HMA&langcode=ENG&modelid=AN13&modelyr=2013&mmctype=en&mmcid=98&group=SHOP&pdftype=&cat1=2013+%3E+G+2%2E4+GDI&ec=&nLocation=2$8_4_8_1&firstnodedesc=Engine+Mechanical+System&sitinfolist=12%5E1235%5E12350100%5Enone%5E801%5E1%5EENG%5EHY%5EAN13%5E2013%5Een%5E98%5Enone%5Enone%5Enone%5ESHOP%5E%24" ...
See also:
Washer fluid
Checking the washer fluid level The reservoir is translucent so that you can check the level with a quick visual inspection. Check the fluid level in the washer fluid reservoir and add fluid if necessary. ...
Tire. Repair procedures
• Using tires and wheel other than the recommended sizes could cause unusual handling characteristics and poor vehicle control, resulting in a serious accident. Tire Wear 1. Measure the tread depth ...
ATF Warmer. Description and Operation
Description The ATF warmer is mounted on the valve body cover to reduce oil viscosity friction by increasing oil temperature under cold condition, which in turn improves fuel efficiency. It is serial mounted ...
